全国
手机版
二维码
购物车
选择频道搜索
总资源
专题
下载
动态
求购
供应
企业
会员
挖掘机
卡特
保时捷
比亚迪
小松
博世
维修手册
零件图册
挖掘机零件图册
东风
首页
总资源
品牌图书
汽车新能源
汽车
重卡
工程机械
发动机
叉车
专题
下载
动态
求购
供应
企业
会员
老站
首页
>
下载
>
机械设备资料下载
>
三一 SANY
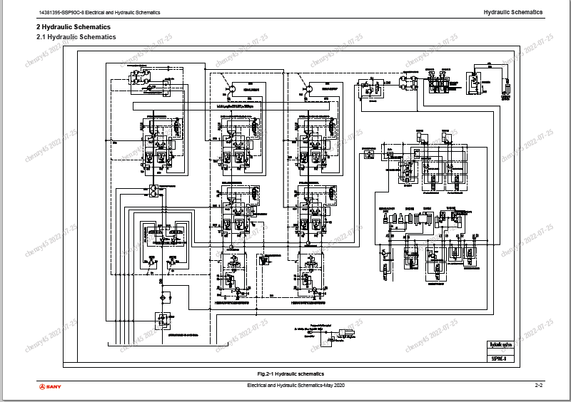
三一摊铺机-SSP90C-电气液压原理图-英文
2026-02-28
22
0
1.23M
0
三一摊铺机-SSP90C-电气液压原理图-英文 页数: 8页 格式:PDF 语言:英文
您还没有登录,请登录后查看详情
点赞
0
反对
0
举报
收藏
0
打赏
0
评论
0
分享
2
本类推荐
2.95GB三一工程机械维修手册,零件图册,电路图合集PDF下载
下载排行
6
1
三一摊铺机-SSP90C-零部件图册-英文
2
2
2.95GB三一工程机械维修手册,零件图册,电路图合集PDF下载
0
3
三一摊铺机-SSP90C-电气液压原理图-英文
网站首页
|
关于我们
|
人工客服
|
使用协议
|
隐私政策
|
版权隐私
|
网站地图
|
排名推广
|
广告服务
|
积分换礼
|
网站留言
|
RSS订阅
|
违规举报
|
粤ICP备18104423号
(c)2008-2026 维修资源网旗舰店
粤ICP备18104423号